达塔 差速舵轮

差速舵轮通常由两个独立轮子组成,这两个轮子位于同一轴线或非常接近同一轴线上,各自独立接收动力和控制信号。当设备需要转弯时,两个轮子以不同的速度旋转。差速舵轮结构中有电机、回转轴承、独立悬挂、减速机、绝对值编码器等部件。电机提供动力,减速机调整输出的转速和扭矩,编码器监测转速、位置等信息,为精准控制提供反馈。

差速舵轮的工作依赖于先进的电子控制系统。控制系统根据设备的前进/后退/转弯等运动需求,精确地计算出每个轮子所需的转速和扭矩,通过电机驱动器向每个轮子的电机发送相应信号来驱动轮子的运动,同时,编码器将轮子的实际运动状态反馈给控制系统,形成闭环的控制回路。

差速舵轮的特点:

结构紧凑精密

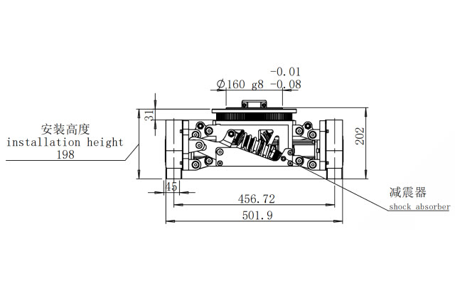
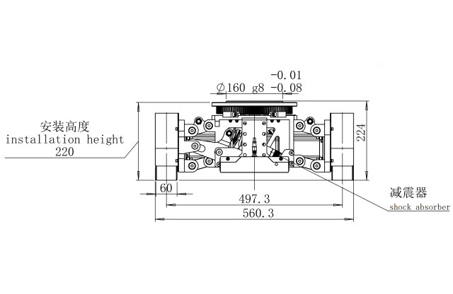
整体结构较为紧凑,便于安装在各种自动化设备上,具有较低的安装高度

精度高 适应性强

双轮差速驱动能实现高精度的转向,并且能够良好适应不同的地面状况和工作环境

出色的承载能力

较大尺寸和高功率的差速舵轮能够承载较重的货物或设备,提供充足的动力

导航系统兼容性强

能够兼容激光 SLAM 、视觉导航、电磁导航等多种导航系统协同工作

DT04-160-P0.4-24-48V

DT04-160-P0.4-24-48V
整机性能参数

驱动轮直径:160mm

驱动承载:1000kg

额定牵引力:10290N

行走速度:1m/s

使用寿命:20000h

减速箱技术参数

减速比:24:1

额定扭矩:54N·m

最大扭矩:108N·m

最大径向载荷:6000N

最大轴向载荷:600N

电机参数(单个)

电机类型:伺服电机

电机转速:3000r/min

额定功率:0.4kW

额定电压:DC 48V

额定电流:10.6A

额定扭矩:1.27N·m

制动扭矩:1.5N·m

编码器参数

编码器类型:单圈绝对值

编码器型号:/

编码器齿轮与回转齿盘齿轮比:/

机械限位角度:±115.7°

DT04-160-P1.2-32-48V

DT04-160-P1.2-32-48V
整机性能参数

驱动轮直径:160mm

驱动承载:1500kg

额定牵引力:37000N

行走速度:0.88m/s

使用寿命:20000h

减速箱技术参数

减速比:32:1

额定扭矩:160N·m

最大扭矩:320N·m

最大径向载荷:8000N

最大轴向载荷:2500N

电机参数(单个)

电机类型:伺服电机

电机转速:3000r/min

额定功率:1.2kW

额定电压:DC 48V

额定电流:34A

额定扭矩:3.82N·m

制动扭矩:4N·m

编码器参数

编码器类型:单圈绝对值

编码器型号:/

编码器齿轮与回转齿盘齿轮比:/

机械限位角度:±150.5°

DT04-180-P1.2-32-48V

DT04-180-P1.2-32-48V
整机性能参数

驱动轮直径:180mm

驱动承载:1500kg

额定牵引力:33320N

行走速度:0.88m/s

使用寿命:20000h

减速箱技术参数

减速比:32:1

额定扭矩:117.4N·m

最大扭矩:234.7N·m

最大径向载荷:8000N

最大轴向载荷:2500N

电机参数(单个)

电机类型:伺服电机

电机转速:3000r/min

额定功率:1.2kW

额定电压:DC 48V

额定电流:34A

额定扭矩:3.82N·m

制动扭矩:4N·m

编码器参数

编码器类型:单圈绝对值

编码器型号:/

编码器齿轮与回转齿盘齿轮比:/

机械限位角度:±121.7°

DT04-250-P2.0-32-48V

DT04-250-P2.0-32-48V
整机性能参数

驱动轮直径:250mm

驱动承载:3000kg

额定牵引力:65000N

行走速度:0.81m/s

使用寿命:20000h

减速箱技术参数

减速比:32:1

额定扭矩:300N·m

最大扭矩:540N·m

最大径向载荷:2000N

最大轴向载荷:2000N

电机参数(单个)

电机类型:伺服电机

电机转速:3000r/min

额定功率:2.0kW

额定电压:DC 48V

额定电流:58A ± 10%

额定扭矩:9.55N·m

制动扭矩:4N·m

编码器参数

编码器类型:多圈绝对值

编码器型号:GME-58-RS10-13/4-0.1MR-65-B

编码器齿轮与回转齿盘齿轮比:50:120

机械限位角度:±144°

下载产品选型手册

南通达塔机械科技有限公司

创新 | 合作 | 共赢 - 智慧赋能工业物流运输解决方案,竭诚为您提供高质量、高效率、高性价比的产品与服务,满足各种类型的项目需求,更可提供安装时的现场支持。

电话

邮件

邮编

地址

0513-85087060

info@datwheel.com

226014

江苏南通市崇川区观音山街道钟秀东路9号 通能工业园13栋

© 2025 DAT All rights reserved.

苏ICP备2025172594号 苏公网安备32060202002281号