达塔 全向驱动轮

为适应 AGV 的市场需求,达塔超越常规舵轮的设计思路,针对 AGV 设备特性开发了本款专用驱动轮,并获取了国家实用新型技术专利,
专利编号:202322156777.4。

该款驱动轮相比传统舵轮,具有如下优势:

全向驱动

行走轮可 360° 无限旋转,向任意方向提供驱动力

360°无限位

独创结构设计,免除传统舵轮的绕线和限位问题

安装高度低

驱动轮中心无需预留出线空间,安装高度更低

回转半径小

行走轮上无电机较常规同规格舵轮减小至少50%以上

承载能力强

回转轴承采用交叉滚子轴承,具有更强的承载能力

行走 / 转向精度高

采用行星减速结构,齿轮背隙小,驱动负载能力强

接口丰富兼容性强

预留行走和转向安全编码器接口,客户可指定电机品牌

全新自润滑方式

润滑油自循环系统,减少人工维护,降低保养成本

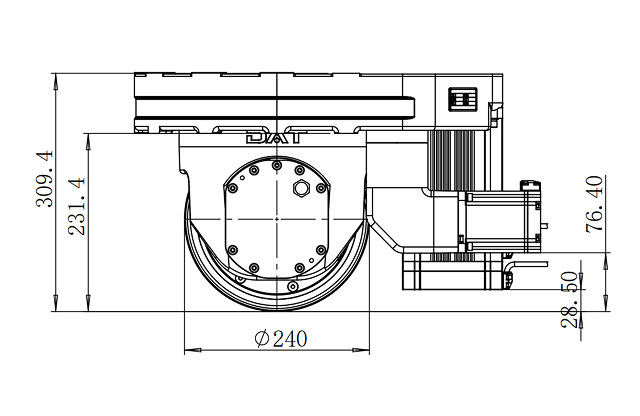
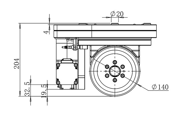
DT01-140-P0.4/0.2-20/157.7-48V

DT01-140-P0.4/0.2-20/157.7-48V
驱动参数(h5)

电机类型:伺服电机

电机转速:3000r/min

额定功率:0.4kW

额定电压:DC 48V

额定电流:10.6A

额定扭矩:1.27N·m

驱动轮直径:140mm

驱动轮扭矩:21.6N·m

驱动总速比:20

驱动参数(h5)

电机类型:伺服电机

电机转速:3000r/min

额定功率:0.2kW

额定电压:DC 48V

额定电流:5.7A

额定扭矩:0.64N·m

转向齿轮比:142/36

转向减速机速比:40

转向总速比:157.7

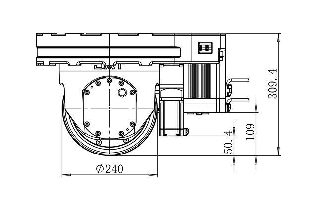
DT01-240-P1.5/0.4-29.51/150.5-48V-A1

DT01-240-P1.5/0.4-29.51/150.5-48V-A1
驱动参数(h5)

电机类型:伺服电机

电机转速:3000r/min

额定功率:1.5kW

额定电压:DC 48V

额定电流:42.4A

额定扭矩:5N·m

驱动轮直径:240mm

驱动轮扭矩:123.9N·m

驱动总速比:29.51

驱动参数(h5)

电机类型:伺服电机

电机转速:3000r/min

额定功率:0.4kW

额定电压:DC 48V

额定电流:10.6A

额定扭矩:1.27N·m

转向齿轮比:158/42

转向减速机速比:40

转向总速比:150.47

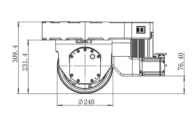
DT01-240-P2.5/0.75-29.51/150.5-48V-A1

DT01-240-P2.5/0.75-29.51/150.5-48V-A1
驱动参数(h5)

电机类型:伺服电机

电机转速:3000r/min

额定功率:2.5kW

额定电压:DC 48V

额定电流:61A

额定扭矩:7.96N·m

驱动轮直径:240mm

驱动轮扭矩:197.3N·m

驱动总速比:29.51

驱动参数(h5)

电机类型:伺服电机

电机转速:3000r/min

额定功率:0.75kW

额定电压:DC 48V

额定电流:19.9A

额定扭矩:2.39N·m

转向齿轮比:158/42

转向减速机速比:40

转向总速比:150.47

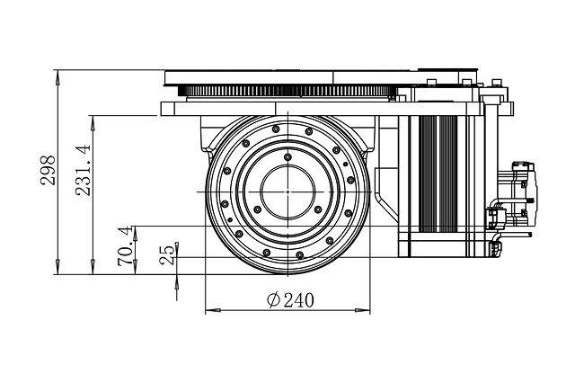
DT01-240-P3.0/0.75-25.97/150.5-48V

DT01-240-P3.0/0.75-25.97/150.5-48V
驱动参数(h5)

电机类型:伺服电机

电机转速:3000r/min

额定功率:3.0kW

额定电压:DC 48V

额定电流:77.7A

额定扭矩:14.33N·m

驱动轮直径:240mm

驱动轮扭矩:312.6N·m

驱动总速比:25.97

驱动参数(h5)

电机类型:伺服电机

电机转速:3000r/min

额定功率:0.75kW

额定电压:DC 48V

额定电流:19.9A

额定扭矩:2.39N·m

转向齿轮比:158/42

转向减速机速比:40

转向总速比:150.47

DT01-240-P3.0/0.75-29.51/150.5-48V-A1

DT01-240-P3.0/0.75-29.51/150.5-48V-A1
驱动参数(h5)

电机类型:伺服电机

电机转速:3000r/min

额定功率:3.0kW

额定电压:DC 48V

额定电流:77.7A

额定扭矩:14.33N·m

驱动轮直径:240mm

驱动轮扭矩:312.6N·m

驱动总速比:29.51

驱动参数(h5)

电机类型:伺服电机

电机转速:3000r/min

额定功率:0.75kW

额定电压:DC 48V

额定电流:19.9A

额定扭矩:2.39N·m

转向齿轮比:158/42

转向减速机速比:40

转向总速比:150.47

下载产品选型手册

南通达塔机械科技有限公司

创新 | 合作 | 共赢 - 智慧赋能工业物流运输解决方案,竭诚为您提供高质量、高效率、高性价比的产品与服务,满足各种类型的项目需求,更可提供安装时的现场支持。

电话

邮件

邮编

地址

0513-85087060

info@datwheel.com

226014

江苏南通市崇川区观音山街道钟秀东路9号 通能工业园13栋

© 2025 DAT All rights reserved.

苏ICP备2025172594号 苏公网安备32060202002281号