达塔 卧式舵轮

卧式舵轮的主要结构呈水平放置,通常由 电机、减速机、轮体 和 转向机构 等组件组成,通常有行星齿轮和平行轴两种传动结构。电机的动力通过减速机进行减速增扭处理,将高速低扭矩的动力转换为低速高扭矩的动力,然后传递给轮体,使轮体获得驱动能力。

转向机构根据控制系统发出的信号,通过控制电机或者液压系统(在一些大型设备中)改变轮体的角度。精确的转向控制可以使设备实现灵活的路径规划,如在狭窄的通道中转弯或者按照预设的复杂路线行驶。

卧式舵轮的特点:

设计结构紧凑

空间利用率高,在较小的空间内集成动力、转向多种功能,保持 AGV 车辆较低的重心

传动高效稳定

在合理的设计和润滑条件下,能量损失小,传动效率高,动力输出更加稳定平顺

转向精准灵活

可以根据控制系统的指令精确控制轮体的转向角度,具有精准且灵活的转向能力

应用场景广泛

卧式舵轮在仓储物流、工业生产等众多领域都有广泛应用,提高自动化程度和工作效率

DT02-180-P0.75/0.2-24/152.7-48V

DT02-180-P0.75/0.2-24/152.7-48V
驱动参数(h5)

电机类型:伺服电机

电机转速:3000r/min

额定功率:0.75kW

额定电压:DC 48V

额定电流:19.9A

额定扭矩:2.39N·m

驱动轮直径:180mm

驱动轮扭矩:54.4N·m

驱动总速比:24

驱动参数(h5)

电机类型:伺服电机

电机转速:3000r/min

额定功率:0.2kW

额定电压:DC 48V

额定电流:5.7A

额定扭矩:0.64N·m

转向齿轮比:105/44

转向减速机速比:32

转向总速比:152.7

DT02-180-P1.2/0.4-24/152.7-48V

DT02-180-P1.2/0.4-24/152.7-48V
驱动参数(h5)

电机类型:伺服电机

电机转速:3000r/min

额定功率:1.2kW

额定电压:DC 48V

额定电流:34A

额定扭矩:3.82N·m

驱动轮直径:180mm

驱动轮扭矩:87.1N·m

驱动总速比:24

驱动参数(h5)

电机类型:伺服电机

电机转速:3000r/min

额定功率:0.4kW

额定电压:DC 48V

额定电流:10.6A

额定扭矩:1.27N·m

转向齿轮比:105/44

转向减速机速比:32

转向总速比:152.7

DT02-180-P1.2/0.4-32/152.7-48V

DT02-180-P1.2/0.4-32/152.7-48V
驱动参数(h5)

电机类型:伺服电机

电机转速:3000r/min

额定功率:1.2kW

额定电压:DC 48V

额定电流:34A

额定扭矩:3.82N·m

驱动轮直径:180mm

驱动轮扭矩:87.1N·m

驱动总速比:32

驱动参数(h5)

电机类型:伺服电机

电机转速:3000r/min

额定功率:0.4kW

额定电压:DC 48V

额定电流:10.6A

额定扭矩:1.27N·m

转向齿轮比:105/44

转向减速机速比:32

转向总速比:152.7

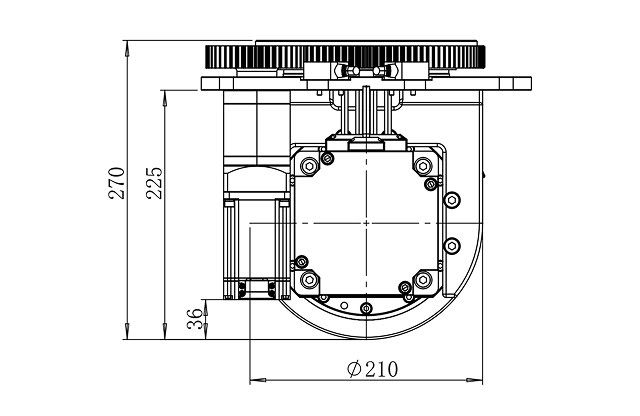
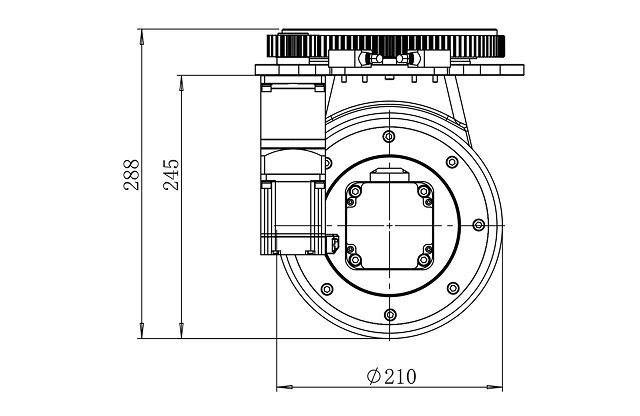
DT02-210-P0.75/0.2-24.69/152.7-48V

DT02-210-P0.75/0.2-24.69/152.7-48V
驱动参数(h5)

电机类型:伺服电机

电机转速:3000r/min

额定功率:0.75kW

额定电压:DC 48V

额定电流:19.9A

额定扭矩:2.39N·m

驱动轮直径:210mm

驱动轮扭矩:56.1N·m

驱动总速比:24.69

驱动参数(h5)

电机类型:伺服电机

电机转速:3000r/min

额定功率:0.2kW

额定电压:DC 48V

额定电流:5.7A

额定扭矩:0.64N·m

转向齿轮比:105/22

转向减速机速比:32

转向总速比:152.7

DT02-210-P1.5/0.4-32/150.5-48V

DT02-210-P1.5/0.4-32/150.5-48V
驱动参数(h5)

电机类型:伺服电机

电机转速:3000r/min

额定功率:1.5kW

额定电压:DC 48V

额定电流:42.2A

额定扭矩:5N·m

驱动轮直径:210mm

驱动轮扭矩:152N·m

驱动总速比:32

驱动参数(h5)

电机类型:伺服电机

电机转速:3000r/min

额定功率:0.4kW

额定电压:DC 48V

额定电流:10.1A

额定扭矩:1.27N·m

转向齿轮比:105/44

转向减速机速比:64

转向总速比:152.72

DT02-220-P1.5/0.4-40/280-48V

DT02-220-P1.5/0.4-40/280-48V
驱动参数(h5)

电机类型:伺服电机

电机转速:3000r/min

额定功率:1.5kW

额定电压:DC 48V

额定电流:42.2A

额定扭矩:5.5N·m

驱动轮直径:220mm

驱动轮扭矩:209N·m

驱动总速比:40

驱动参数(h5)

电机类型:伺服电机

电机转速:3000r/min

额定功率:0.4kW

额定电压:DC 48V

额定电流:10.6A

额定扭矩:1.27N·m

转向齿轮比:98/14

转向减速机速比:40

转向总速比:280

DT02-220-P1.5/0.4-40/280-48V-A1

DT02-220-P1.5/0.4-40/280-48V-A1
驱动参数(h5)

电机类型:伺服电机

电机转速:3000r/min

额定功率:1.57kW

额定电压:DC 48V

额定电流:42.2A

额定扭矩:5.5N·m

驱动轮直径:220mm

驱动轮扭矩:209N·m

驱动总速比:40

驱动参数(h5)

电机类型:伺服电机

电机转速:3000r/min

额定功率:0.4kW

额定电压:DC 48V

额定电流:10.6A

额定扭矩:1.27N·m

转向齿轮比:98/14

转向减速机速比:40

转向总速比:280

DT02-220-P2.5/0.4-40/280-48V

DT02-220-P2.5/0.4-40/280-48V
驱动参数(h5)

电机类型:伺服电机

电机转速:3000r/min

额定功率:2.5kW

额定电压:DC 48V

额定电流:61A

额定扭矩:7.96N·m

驱动轮直径:220mm

驱动轮扭矩:302.5N·m

驱动总速比:40

驱动参数(h5)

电机类型:伺服电机

电机转速:3000r/min

额定功率:0.4kW

额定电压:DC 48V

额定电流:10.1A

额定扭矩:1.27N·m

转向齿轮比:98/14

转向减速机速比:40

转向总速比:280

DT02-250-P2.0/0.4-40/210-48V

DT02-250-P2.0/0.4-40/210-48V
驱动参数(h5)

电机类型:伺服电机

电机转速:2000r/min

额定功率:2.0kW

额定电压:DC 48V

额定电流:58A ± 10%

额定扭矩:9.55N·m

驱动轮直径:250mm

驱动轮扭矩:362.9N·m

驱动总速比:40

驱动参数(h5)

电机类型:伺服电机

电机转速:3000r/min

额定功率:0.4kW

额定电压:DC 48V

额定电流:10.1A

额定扭矩:1.27N·m

转向齿轮比:105/20

转向减速机速比:40

转向总速比:210

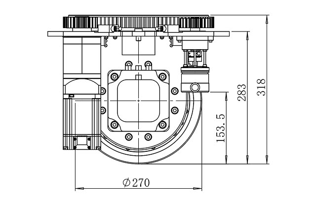
DT02-270-P3.0/0.75-40/210-48V

DT02-270-P3.0/0.75-40/210-48V
驱动参数(h5)

电机类型:伺服电机

电机转速:2000r/min

额定功率:3.0kW

额定电压:DC 48V

额定电流:66A ± 10%

额定扭矩:14.3N·m

驱动轮直径:270mm

驱动轮扭矩:543N·m

驱动总速比:40

驱动参数(h5)

电机类型:伺服电机

电机转速:3000r/min

额定功率:0.75kW

额定电压:DC 48V

额定电流:19.9A

额定扭矩:2.39N·m

转向齿轮比:105/20

转向减速机速比:40

转向总速比:210

DT02-460-P4.2/1.57-70/349.9-48V

DT02-460-P4.2/1.57-70/349.9-48V
驱动参数(h5)

电机类型:伺服电机

电机转速:1500r/min

额定功率:4.2kW

额定电压:DC 48V

额定电流:115A ± 10%

额定扭矩:27N·m

驱动轮直径:460mm

驱动轮扭矩:1795.5N·m

驱动总速比:70

驱动参数(h5)

电机类型:伺服电机

电机转速:3000r/min

额定功率:1.57kW

额定电压:DC 48V

额定电流:42.4A

额定扭矩:5N·m

转向齿轮比:164/30

转向减速机速比:64

转向总速比:349.9

DT02-460-P5.5/1.57-70/349.9-48V

DT02-460-P5.5/1.57-70/349.9-48V
驱动参数(h5)

电机类型:伺服电机

电机转速:1500r/min

额定功率:5.5kW

额定电压:DC 48V

额定电流:140A ± 10%

额定扭矩:35N·m

驱动轮直径:460mm

驱动轮扭矩:2327.5N·m

驱动总速比:70

驱动参数(h5)

电机类型:伺服电机

电机转速:3000r/min

额定功率:1.57kW

额定电压:DC 48V

额定电流:42.2A

额定扭矩:5N·m

转向齿轮比:164/30

转向减速机速比:64

转向总速比:349.9

下载产品选型手册

南通达塔机械科技有限公司

创新 | 合作 | 共赢 - 智慧赋能工业物流运输解决方案,竭诚为您提供高质量、高效率、高性价比的产品与服务,满足各种类型的项目需求,更可提供安装时的现场支持。

电话

邮件

邮编

地址

0513-85087060

info@datwheel.com

226014

江苏南通市崇川区观音山街道钟秀东路9号 通能工业园13栋

© 2025 DAT All rights reserved.

苏ICP备2025172594号 苏公网安备32060202002281号